slotnodigMortise locks newWilka 1436-25

Wilka 1436-25

€ 107.38

Available

60043141 Wilka 1436-2560043141 Wilka 1436-25

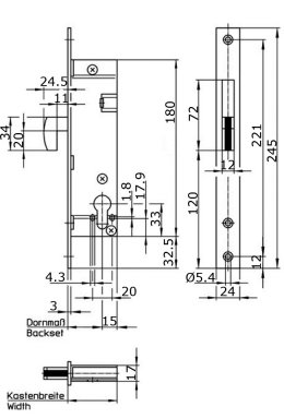
Wilka 1436-25.
245x24x3 mm.

slotnodig

Visit webshop

slotnodig

This website does not use tracking cookies nor sells personal data.

bw1 0.01084s