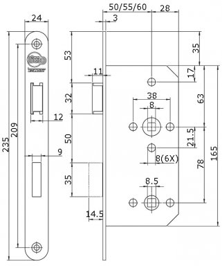
slotnodigMortise locks newLitto A15E6.21-50

Litto A15E6.21-50

€ 16.72

Available

114843408 Litto A15E6.21-50114843408 Litto A15E6.21-50

slotnodig

Visit webshop

slotnodig

This website does not use tracking cookies nor sells personal data.

nw1 0.01436s